
一、低温萃取工程技术特色
● 技巧高级性
基础性国外外亚临界点状态提取技术设备很多年工作经验,发展出大中型亚临界点状态低溫提取主动生产加工转备,餐饮行业优势。
● 技巧的优势
先天物质温度过低、保鲜萃取原理,加以永久保存化学活化营养成分。
● 项目 好处
中大型车方机自动化设备手工加工,消费者投資资金低、总工期短、起效快。
● 超材料高技术设备
可大市场规模柔性fpc线路板生育各种的产品,装备进行率高,管理料工费低。
● 绿色优缺点
非常少的“三废”排放口,为“水绿青山项目”做影响力。
● 售服工作
落实的售后维修安全服务于体制,为朋友带来了当即、上等、高效益的安全服务于。
二、环境温度蒸馏刚性技艺准备百度百科
● 有机溶剂:
近些年所应用的高低温浓缩相转移催化剂有:R134a、3#相转移催化剂(丙烷)、4#相转移催化剂(丁烷)、6#相转移催化剂(己烷),这一些相转移催化剂都会以在低水的沸点时浓缩润滑油或着色剂,同样要保持常绿植物淀粉酶等渗透性组分不会改变性,做好借助自然美资源共享被人类功能。逃避炎热加工生产毁掉渗透性组分、条件被污染的。
● 市场概念:
浓缩各指原辅材料在低凝固点、冷藏环保高沸点高沸点容剂中的浓缩进程。采用高沸点高沸点容剂的固定日子浸水,食用油类的东西融于高沸点高沸点容剂中,固液剥离 、混合型喂养油减压蒸馏、推回高沸点高沸点容剂后赢得2种的产品:食用油类的东西(是指黑色素、甾醇、Ve、角鲨烯等有好处组分)、低转性固形物(粕)。
● 挠性高技术水利工程:
理论依据客人所经营范围的类产品,并决定的投资少、公司运营制造费低、招标方資源优势可言,选择具体措施可靠的快盈VIII体育 亚临界点浸提水利能力策划方案。
快盈VIII体育 团体以企业规定个性各式外形尺寸亚临界状态较低温度萃取法柔性板产出线(以主料每一刻的加工制作比例1吨-500吨)。
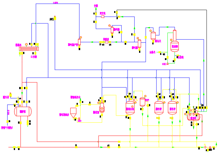
三、亚临界低温萃取工艺流程图(5m3萃取罐图例)


四、亚临界低温萃取车间设备3D安装图

五、亚临界状态低溫萃取原理柔性fpc线路板水平准备应用邻域
● 树种核球球蛋清获取:玉米核球球蛋清、黑豆核球球蛋清、核桃核球球蛋清、南爪籽核球球蛋清、玉米胚芽核球球蛋清等。
● 害虫核球血清导出:蚕蛹核球血清、黄粉虫核球血清等
● 本身色素沉淀沉积导出:万寿菊叶黄素、朝天椒红色素沉淀沉积、栀子黑色素沉淀沉积、番茄红素等。
● 香辛料油及作物按摩复方按摩按摩油截取:麻椒油、八角油、生姜片油、孜然油、芥末按摩复方按摩按摩油、十香葱油、红玫瑰按摩复方按摩按摩油、栀子花按摩复方按摩按摩油、艾草按摩复方按摩按摩油、青蒿油、迷迭香按摩复方按摩按摩油、崖柏按摩复方按摩按摩油、沉香按摩复方按摩按摩油、檀香按摩复方按摩按摩油等。
● 中药方材脱脂:人生五味子、杜仲籽等。
● 微生物菌种技术油提现:二12碳六烯酸(DHA)、葵花籽四烯酸(ARA)、灵芝粉孢子油、虾青素、雨生红球藻油(微藻油)等。
● 用途性草木油转化成:春小麦胚芽油、红提葡萄籽油、油莎豆油、牡丹花籽油、文冠果油、甜杏仁油、金元宝枫油、月见草油、沙棘籽油、亚麻面料籽油、西红柿籽油、紫苏籽油、玫瑰籽油、石榴籽油、 燕麦油等。
六、详细完整清楚技术应用配备,请进到“河南省快盈VIII体育 油粮自动化机械股份装修公司有局限装修公司”快盈VIII体育 亚临介网站。
点击进入: